Промышленная мельница МПС-K1

Промышленная мельница МПС-K1

Масса, кг
1200
Мощность электродвигателя, кВт
22; 30
Производительность, т/ч
1,4
Все характеристики
Назначение: для тонкого помола мела и других материалов средней твёрдости.
Пуско-наладка на вашем объекте и обучение вашего персонала
При необходимости проводим испытания с давальческим сырьем
Послепродажный сервис и плановые поставки запчастей и расходников
Цена по запросу
узнать цену
Гарантия: от 12 месяцев
Доставка: по всей России и СНГ
Сроки изготовления: от 40 рабочих дней
Подобрать решение
Андрей Федоров
Инженер-консультант
+7 (950) 921-57-50

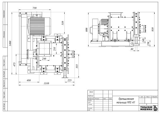
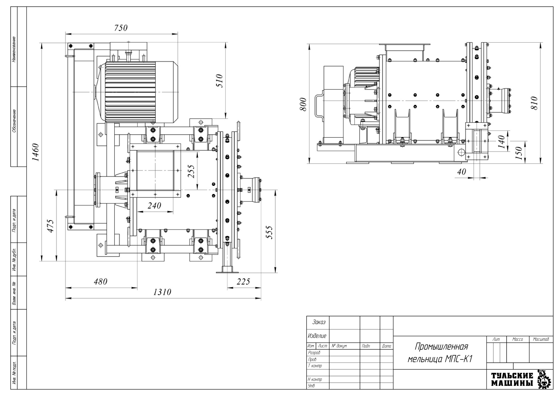
ТЕХНИЧЕСКИЕ ХАРАКТЕРИСТИКИ — Промышленная мельница МПС-K1

Масса, кг:
1200
Мощность электродвигателя, кВт:
22; 30
Производительность, т/ч:
1,4
Частота вращения ротора, об/мин:
1600/1780
Диаметр ротора, мм:
455; 620
Max. входящая фракция, мм:
50
Выходящая фракция, мм:
-1
Номинальное напряжение питания, В/Гц:
380
Количество роторов, шт.:
2
Изготовление по вашему ТЗ
Отправить ТЗ
Реверс-инжиниринг
Обсудить задачу

ОПИСАНИЕ — Промышленная мельница МПС-K1

МПС-K1 — специализированная промышленная мельница (молотковая дробилка ударного действия) для тонкого помола мела и других материалов средней твёрдости. Оборудование рассчитано на сырьё с твёрдостью до 5 по Моосу, влажностью до 4% и температурой плавления не ниже 300 °C.

Назначение

Мельница предназначена для получения мелкодисперсного порошка (меловой муки) из кускового или фракционного материала. Подходит для помола:

  • мела (основное назначение)
  • гипса, известняка
  • а также схожих по твёрдости материалов (тальк, глина, уголь и др.)

Принцип работы

В рабочей камере на вращающемся роторе установлены молотки (билы). Материал поступает в камеру и подвергается многократным ударам, а также истиранию о бронефутеровку. Готовый продукт проходит через калибровочное сито (решётку) в нижней части мельницы — размер ячеек сита определяет конечную тонкость помола.

Ключевые преимущества

  • Высокая эффективность именно на материалах типа мела
  • Регулируемая тонкость помола: сменные сита позволяют быстро перейти на нужную фракцию
  • Надёжная и простая конструкция: удобна в обслуживании, корпус защищён футеровкой
  • Компактные габариты при промышленной производительности
  • Универсальность по сырью в пределах заданной твёрдости

Где используется меловая мука

Готовый продукт применяется в:

  • сухих строительных смесях (шпатлёвки, штукатурки, затирки, краски)
  • лакокрасочной промышленности (наполнитель/пигмент)
  • полимерах, пластмассах и резине (наполнитель)
  • сельском хозяйстве (комбикорма, раскисление почв)
  • целлюлозно-бумажной промышленности
  • бытовой химии

Важные условия для стабильной работы

  • при влажности выше 4–5% возможны налипания на молотки и сито — может потребоваться предварительная сушка
  • расходники (молотки, сито, футеровка) требуют регулярного контроля износа
  • для безопасности и сохранения продукта желательно работать с аспирацией (циклон + фильтр)

ЧЕРТЕЖ — Промышленная мельница МПС-K1


Обсудить задачу
Обсудить задачу
Отправьте заявку — с вами свяжется инженер:
  • Обсудить технические вопросы
  • Подготовить коммерческое предложение
  • При необходимости договориться о встрече
  • Организовать экскурсию на производство