![]() |
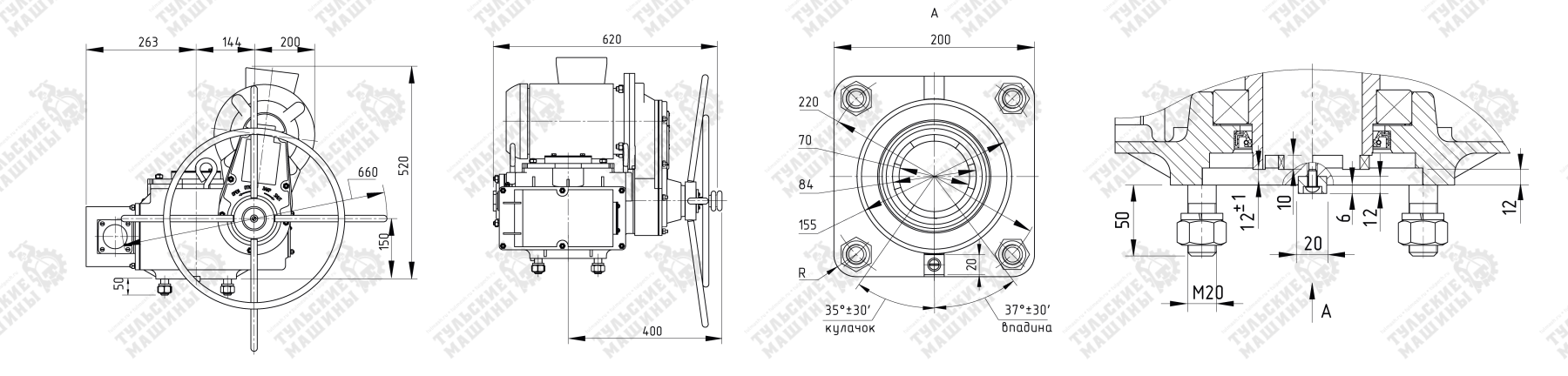
Электропривод НВ общепромышленного исполнения с червячно-цилиндрическим редуктором и двухсторонней муфтой. | ![]() |
Электропривод ВВ взрывозащищенного исполнения с червячно-цилиндрическим редуктором и двухсторонней муфтой. |
Электропривод НВ представляет собой многофункциональный комплекс, состоящий из:
| Тип изделия | Условное обозначение | DN, мм | PN, МПа | Тип электропривода (ТУ 28.14.20-001-43542160-2024) | М кр., Н-м |
| 30с941нжФ | МА 11021 | 80 | 1,6 | В-А2-11К | 60-100 |
| 30с941нжФХЛ | МА 11021-ХЛ | ||||
| 30с964нжФ | МА 11022 | 2,5 | |||
| 30с964нжФХЛ | МА11022-ХЛ | ||||
| 30с915нжФ | МА 11024 | 4,0 | |||
| 30с915нжФХЛ | МА11024-ХЛ | ||||
| 30с941нжФ | МА 11021 | 100 | 1,6 | В-А2-11К | 60-100 |
| 30с941нжФХЛ | МА11021-ХЛ | ||||
| 30с964нжФ | МА 11022 | 2,5 | |||
| 30с964нжФХЛ | МА11022-ХЛ | ||||
| 30с915нжФ | МА11024 | 4,0 | |||
| 30с915нжФХЛ | МА11024-ХЛ | ||||
| 30с976нжФ | 30с976нж | 6,3 | В-Б1-05 | 100-300 | |
| 30с967нжХФЛ | 30с976нжХЛ | ||||
| 31с916нжБФ | 31с916нжБ | 10,0 | |||
| 31с916нжБФХЛ | 31с916нжБХЛ | ||||
| 30с941нжФ | МА 11021 | 150 | 1,6 | А-Ф2-11К | 60-100 |
| 30с941нжФХЛ | МА11021-ХЛ | ||||
| 30с964нжФ | МА 11022 | 2,5 | В-Б1-05 | 100-300 | |
| 30с964нжФХЛ | МА11022-ХЛ | ||||
| 30с915нжФ | МА 11024 | 4,0 | |||
| 30с915нжФХЛ | МА11024-ХЛ | ||||
| 30с976нжФ | 30с976нж | 6,3 | В-В-05 | 250-630 | |
| 30с976нжФХЛ | 30с976нжХЛ | ||||
| 31с916нжБФ | 31с916нжБ | 10,0 | |||
| 31с916нжБФХЛ | 31с916нжБХЛ | ||||
| 30с941нжФ | МА 11021 | 200 | 1,6 | В-Б1-06 | 100-300 |
| 30с941нжФХЛ | МА11021-ХЛ | ||||
| 30с964нжФ | МА 11022 | 2,5 | |||
| 30с964нжФХЛ | МА11022-ХЛ | ||||
| 30с915нжФ | МА 11024 | 4,0 | |||
| 30с915нжФХЛ | МА11024-ХЛ | ||||
| 30с976нжФ | 30с976нж | 6,3 | В-В-05 | 250-630 | |
| 30с976нжФХЛ | 30с976нжХЛ | ||||
| 31с916нжБФ | 31с916нжБ | 200/150 | 10,0 | В-В-05 | 250-630 |
| 31с916нжБФХЛ | 31с916нжБХЛ | ||||
| 30с941нжФ | МА 11021-07 | 250 | 1,6 | В-Б1-06 | 100-300 |
| 30с941нжФХЛ | МА11021-07ХЛ | ||||
| **30нж941нжФ | МА 11071-07 | ||||
| **30нж941нжФХЛ | МА11071-07ХЛ | ||||
| 30с964нжФ | МА11022 | 2,5 | |||
| 30с964нжФХЛ | МА 11022ХЛ | ||||
| 30с915нжФ | МА11024 | 4,0 | В-В-06 | 250-630 | |
| 30с915нжФХЛ | МА11024ХЛ | ||||
| 30с976нжФ | 30с976нж | 6,3 | В-В-12 | 630-1000 | |
| 30с976нжФХЛ | 30с976нжХЛ | ||||
| 30с941нжФ | МА 11021-07 | 300 | 1,6 | В-Б1-06 | 100-300 |
| 30с941нжФХЛ | МА11021-07ХЛ | ||||
| **30нж941нжФ | МА 11071-07 | ||||
| **30нж941нжФХЛ | МА11071-07ХЛ | ||||
| 30с964нжФ | МА 11022-13 | 2,5 | В-В-06 | 250-630 | |
| 30с964нжФХЛ | МА11022-13ХЛ | ||||
| ***30с964нжФ | МА11022-07 | ||||
| ***30с964нжФХЛ | МА11022-07ХЛ | ||||
| 30с915нжФ | ЗКЛПЭ-40 | 4,0 | В-В-12 | 630-1000 | |
| 30с915нжФХЛ | ЗКЛПЭ-40ХЛ | ||||
| **30915нжФ | ЗКЛПЭ-40нж | ||||
| **30нж915нжФХЛ | ЗКЛПЭ-40нжХЛ | ||||
| 30с976нжФ | 30с976нж (ЗКЛПЭ-64) | 6,3 | В-Г-06 | 1000-2500 | |
| 30с976нжФХЛ | 30с976нжХЛ (ЗКПЛЭ-64ХЛ) | ||||
| ****30нж976нжФ | ЗКЛПЭ-64нж | ||||
| 30с941нжФ | МА 11021-07 | 350/300 | 1,6 | В-Б1-06 | 100-300 |
| 30с941нжФХЛ | МА11021-07ХЛ | ||||
| **30нж941нжФ | МА 11071-07 | ||||
| **30нж941нжФХЛ | МА11071-07ХЛ | ||||
| 30с915нжФ | ЗКЛПЭ-40 | 4,0 | В-В-12 | 630-1000 | |
| 30с915нжФХЛ | ЗКЛПЭ-40ХЛ | ||||
| 30с941нжФ | МА11021-07 | 400/300 | 1,6 | В-Б1-06 | 100-300 |
| 30с941нжФХЛ | МА11021-07ХЛ | ||||
| **30нж941нжФ | МА11031-07 | ||||
| **30нж941нжФХЛ | МА11031-07ХЛ | ||||
| 30с964нжФ | МА11022-13 | 2,5 | В-В-06 | 250-630 | |
| 30с964нжФХЛ | МА11022-13ХЛ | ||||
| ***30с964нжФ | МА11022-07 | ||||
| ***30с964нжФХЛ | МА11022-07ХЛ | ||||
| 30с915нжФ | ЗКЛПЭ-40 | 4,0 | В-В-12 | 630-1000 | |
| 30с915нжФХЛ | ЗКЛПЭ-40ХЛ | ||||
| 30с976нжФ | 30с976нж | 6,3 | В-Г-06 | 1000-2500 | |
| 30с976нжФХЛ | 30с976нжХЛ | ||||
| 30с941нжФ | МА11121-07 | 400 | 1,6 | В-В-06 | 250-630 |
| 30с941нжФХЛ | МА11121-07ХЛ | ||||
| 30с964нжФ | МА11122-07 | 2,5 | В-В-12 | 630-1000 | |
| 30с964нжФХЛ | МА11122-07ХЛ | ||||
| 30с915нжФ | МА11124-07 | 4,0 | В-Г-06 | 1000-2500 | |
| 30с915нжФХЛ | МА11124-07ХЛ | ||||
| 30с976нжФ | МА11115-02 | 6,3 | |||
| 30с976нжФХЛ | МА1115-02ХЛ | ||||
| 30с941нжФ | 30с941нж | 500 | 1,6 | В-В-12 | 630-1000 |
| 30с941нжФХЛ | 30с941нжХЛ | ||||
| 30с964нжФ | 30с964нж | 2,5 | В-Г-03 | 1000-2500 | |
| 30с964нжФХЛ | 30с964нжХЛ | ||||
| 30с941нжФ | МА11021-01 | 600 | 1,6 | В-Г-06 | 1000-2500 |
| 30с941нжФХЛ | МА11021-01ХЛ | ||||
| **30нж941нжФ | МА11021-07 | ||||
| 30с927нжФ | 30с927нж | 2,5 | |||
| 30с927нжФХЛ | 30с927нжФХЛ |
| Наименования изделия | Ход запорного органа, мм/шаг резьбы шпинделя, мм/чисто оборотов | Мкр, Нм | Тип присоединения по ГОСТ 26-07-763-73 | Тип электропривода (ТУ 28.14.20-001-43542160-2024)/время закрытия, (с) |
| ЗКЛ 13004 - 050, DN50, PN 16 ЗКЛ 13004 - 050-04, DN50, PN 25 ЗКЛ 13004 - 050-08, DN50, PN 40 | 47/4/12 | 6,0 | А | Н-А2-05/30 |
| В-А2-05/30 | ||||
| ЗКС 160 - 050М, DN50, PN 16 ЗКС 160 - 050М, DN50, PN 25 ЗКС 160 - 050М, DN50, PN 40 ЗКС 160 - 050М, DN50, PN 63 | 56/4/14 | 3,6 3,9 4,05 5,0 | А | Н-А2-05/35 |
| В-А2-05/35 | ||||
| ЗКС 160 - 050М, DN50, PN 100 | 56/4/14 | 6,2 | А | Н-А2-11/35 |
| В-А2-11/35 | ||||
| ЗКС 160 - 050М, DN50, PN 160 | 56/4/14 | 9,5 | А | Н-А2-11/35 |
| В-А2-11/35 | ||||
| ЗКЛ 13004 - 080М, DN80, PN16 ЗКЛ 13004 - 080М-04, DN80, PN25 ЗКЛ 13004 - 080М-08, DN80, PN40 | 91/5/18 | 11,0 | Б | Н-Б1-05/22 |
| В-б1-05/22 | ||||
| ЗКС 160 - 080М, DN80, PN16 ЗКС 160 - 080М, DN80, PN25 ЗКС 160 - 080М, DN80, PN40 | 88/5/18 | 2,8 4,6 4,6 | А | Н-А2-05/45 |
| В-А2-05/45 | ||||
| ЗКС 160 - 080М, DN80, PN63 | 88/5/18 | 6,2 | А | Н-А2-11/45 |
| В-А2-11/45 | ||||
| ЗКС 160 - 080М, DN80, PN100 | 88/5/18 | 11 | Б | Н-Б1-08/43 |
| В-Б1-08/43 | ||||
| ЗКС 160 - 080М, DN80, PN160 | 88/5/18 | 13,0 | Б | Н-Б1-05/22 |
| В-Б1-05/22 | ||||
| ЗКС 160 - 100, DN100, PN63 | 104/5/21 | 12,5 | Б | Н-Б1-05/25 |
| В-Б1-05/25 | ||||
| ЗКС 160 - 100, DN100, PN100 | 104/5/21 | 17,5 | Б | Н-Б1-05/25 |
| В-Б1-05/25 | ||||
| ЗКС 160 - 100, DN100, PN160 | 104/5/21 | 26 | В | Н-В-05/26 |
| В-В-05/26 | ||||
| ЗКС 160 - 100, DN100, PN200 | 104/5/21 | 32 | В | Н-В-05/26 |
| В-В-05/26 | ||||
| ЗКС 160 - 100, DN100, PN250 | 104/5/21 | 42 | В | Н-В-05/26 |
| В-В-05/26 | ||||
| ЗКС 160 - 150, DN150, PN63 | 154/6/26 | 26 | В | Н-В-05/33 |
| В-В-05/33 | ||||
| ЗКС 160 - 150, DN150, PN100 | 154/6/26 | 40 | В | Н-В-05/33 |
| В-В-05/33 | ||||
| ЗКС 160 - 150, DN150, PN160 | 154/6/26 | 62 | В | Н-В-05/33 |
| В-В-05/33 | ||||
| ЗКС 160 - 150, DN150, PN200 | 154/6/26 | 76 | В | Н-В-18/26 |
| В-В-11/26 | ||||
| ЗКС 160 - 150, DN150, PN250 | 154/6/26 | 96 | В | Н-В-18/26 |
| В-В-11/26 | ||||
| ТЛ 13001-080М, DN80, PN16 ТЛ 13001-080 - 08М, DN80, PN40 | 98/5/20 | 69,2 | А | Н-А2-11/50 |
| В-А2-11/50 | ||||
| ТЛ 13001-100М1, DN100, PN16 | 120/5/24 | 8,3 | А | Н-А2-11/60 |
| В-А2-11/60 | ||||
| ТЛ 13001-100М1-08, DN100,PN40 | 120/5/24 | 14,5 | Б | Н-Б1-05/29 |
| В-Б1-05/29 | ||||
| ТЛ 13001-150, DN150,PN16 | 162/5/32 | 14,5 | Б | Н-Б1-05/40 |
| В-Б1-05/40 | ||||
| ТЛ 13001-150-08, DN150,PN40 | 162/5/32 | 26,4 | Б | Н-Б1-05/40 |
| В-Б1-05/40 | ||||
| ТЛ 13001-100М, DN200,PN16 | 227/6/38 | 11,7 | Б | Н-Б1-06/46 |
| В-Б1-06/46 | ||||
| ТЛ 13001-200-08М, DN200,PN40 | 227/6/38 | 29,2 | Б | Н-Б1-06/46 |
| В-Б1-06/46 | ||||
| ТЛ 13001-250, DN250,PN16 | 276/6/46 | 22,2 | Б | Н-Б1-06/55 |
| В-Б1-06/55 | ||||
| ТЛ 13001-250-08, DN250,PN40 | 276/6/46 | 60 | В | Н-В-06/58 |
| В-В-06/58 | ||||
| ТЛ 13001-300, DN300,PN16 | 325/6/54 | 34 | В | Н-В-06/68 |
| В-В-06/68 | ||||
| ТЛ 13001-300-08, DN300,PN40 | 325/8/41 | 91,1 | В | Н-В-19/51 |
| В-В-12/51 | ||||
| ТЛ 13001-350М, DN350,PN16 ТЛ 13001-400М, DN400,PN16 | 379/8/47 | 45,6 | В | Н-В-06/60 |
| В-В-06/60 | ||||
| ТЛ 13001-350-08М, DN350,PN40 ТЛ 13001-400-08М, DN400,PN40 | 379/8/47 | 100 | В | Н-В-19/60 |
| В-В-12/60 | ||||
| КЗ 11005-200, DN200, PN160 | 242/8/30 | 160 | Г | Н-Г-06/45 |
| В-Г-06/45 | ||||
| КЗ 11006-200, DN200, PN250 | 242/8/30 | 225 | Г | Н-Г-06/45 |
| В-Г-06/45 | ||||
| КЗ 11005-250, DN250, PN160 | 274/8/34 | 250 | Г | Н-Г-06/50 |
| В-Г-06/50 | ||||
| КЗ 11006-250, DN250, PN250 | 274/8/34 | 390 | Д | Н-Д-17/206 |
| В-Д-08/206 | ||||
| КЗ 13008-100, DN100, PN63 | 117/5/23 | 12 | Б | Н-Б1-05/29 |
| В-Б1-05/29 | ||||
| КЗ 13008-150, DN150, PN63 | 166/5/33 | 42 | В | Н-В-05/41 |
| В-В-05/41 | ||||
| КЗ 13008-200, DN200, PN63 | 220/6/37 | 60 | В | Н-В-05/45 |
| В-В-05/45 | ||||
| КЗ 13001-300, DN300, PN16 | 325/6/54 | 31 | В | Н-В-06/69 |
| В-В-06/69 | ||||
| КЗ 13011-400, DN400, PN16 | 450/8/56 | 64,5 | В | Н-В-19/70 |
| В-В-12/70 | ||||
| КЗ 13013-400, DN400, PN25 | 450/8/56 | 100 | В | Н-В-19/70 |
| В-В-12/70 | ||||
| КЗ 13010-400, DN400, PN40 | 450/8/56 | 160 | Г | Н-Г-06/84 |
| В-Г-06/84 | ||||
| КЗ 13011-500, DN500, PN16 | 540/8/68 | 88 | В | Н-В-19/85 |
| В-В-12/85 | ||||
| КЗ 13013-500, DN500, PN25 | 540/8/68 | 137 | Г | Н-Г-06/84 |
| В-Г-06/84 | ||||
| КЗ 13010-500, DN500, PN40 | 540/8/68 | 218 | Г | Н-Г-06/84 |
| В-Г-06/84 | ||||
| КЗ 13029-250, DN250, PN63 | 280/8/35 | 81 | В | Н-В-18/44 |
| В-В-11/44 | ||||
| КЗ 13030-250, DN250, PN80 | 280/8/35 | 100 | В | Н-В-18/44 |
| В-В-11/44 | ||||
| КЗ 13029-300, DN300, PN63 | 336/8/42 | 112 | Г | Н-Г-08/63 |
| В-Г-08/63 | ||||
| КЗ 13030-300, DN300, PN80 | 336/8/42 | 156 | Г | Н-Г-08/63 |
| В-Г-08/63 | ||||
| КЗ 13029-350, DN350, PN63 | 368/8/46 | 155 | Г | Н-Г-08/69 |
| В-Г-08/69 | ||||
| КЗ 13029-350/80, DN350, PN80 | 368/8/46 | 197 | Г | Н-Г-08/69 |
| В-Г-08/69 | ||||
| КЗ 13029-400, DN400, PN63 | 420/8/53 | 224 | Г | Н-Г-08/80 |
| В-Г-08/80 | ||||
| КЗ 13029-400/80, DN400, PN80 | 420/8/53 | 250 (284) | Г | Н-Г-08/80 |
| В-Г-08/80 | ||||
| КЗ 13029-500, DN500, PN63 | 540/10/54 | 518 | Д | Н-Д-03/324 |
| В-Д-03/324 | ||||
| КЗ 13030-500, DN500, PN80 | 540/10/54 | 650 | Д | Н-Д-03/324 |
| В-Д-03/234 | ||||
| КЗ 1507-500, DN500, PN10 | 512/8/64 | 52 | В | Н-В-06/80 |
| КЗ 1503-800, DN800, PN10 | 810/8/101 | 128 | Г | Н-Г-03/303 |
| КЗ 12010-500, DN500, PN2,5 | 510/6/85 | 18 | Б | Н-Б1-06/102 |
| В-Б1-06/102 | ||||
| КЗ 12010-600, DN600, PN2,5 | 612/6/102 | 25 | В | Н-В-03/255 |
| В-В-03/255 | ||||
| КЗ 12010-800, DN800, PN2,5 | 816/8/102 | 35 | В | Н-В-03/255 |
| В-В-03/255 | ||||
| КЗ 13020-600, DN600, PN2,5 | 624/8/78 | 36 | В | Н-В-12/98 |
| КЗ 13020-800, DN800, PN1,6 | 825/8/103 | 55 | В | Н-В-12/129 |
| КЗ 99167-500, DN500, PN10 КЗ 99167-600, DN600, PN10 | 240/6/40 (затвор - 90°) | 13 13 | Б | Н-Б1-12/48 |
| КЗ 99167-800, DN800, PN10 | 240/6/40 (затвор - 90°) | 16 | Б | Н-Б1-12/48 |
| Обозначение изделия | DN, мм | PN, Мпа | Тип электропривода | М кр., Н-м |
| 19ч920р | 200 | 0,005 | А-18 | 25-60 |
| 19с939р | 300 | А-16 | ||
| 400 | А-17 | |||
| 600 | Н-Б1-11 | 100-300 | ||
| 800 | ||||
| 1000 | ||||
| 1200 | ||||
| 19с940р | 300 | А-16 | ||
| Н-Б1-11 | 100-300 | |||
| 600 | ||||
| 800 | ||||
| 1000 | ||||
| 1200 | ||||
| 19с941нж | 450 | 0,007 | ||
| 800 | Н-В-02 | 250-630 | ||
| 31с987нж, -1, -2, -3 | 300 | 1,6 | В-В-03 | |
| 2,5 | ||||
| 31нж987нж | 4,0 | В-В-09 | 630-1000 | |
| 31с987нж1 | 400 | 2,5 | В-В-03 | 250-630 |
| 32с930р | 200 | Н-А2-05К | 25-60 | |
| 250 | ||||
| 300 | ||||
| 400 | Н-Б1-09 | 100-300 | ||
| 500 | Н-Б1-11 | |||
| 600 | ||||
| 800 | Н-В-06 | 250-630 | ||
| 32нж906р4, -5, -8, -9 | 400,600 | 0,63 | Н-Б1-11 | 100-300 |
| 32нж906р4, -5, -8, -9 | 800,1000 | Н-В-12 | 250-630 | |
| ИА 99017-1200-03 | 1200 | 1,0 | Н-В-25 | 630-1000 |
| 32с910р | 300 | 1,0 | Н-А2-10К | 60-100 |
| 32с910р1, -2, -3 | 400 | Н-Б1-11 | 100-300 | |
| 32с910р | 600 | |||
| 32с910р1 | ||||
| 32с910р | 800 | Н-В-12 | 250-630 | |
| 32с910р1 | ||||
| 32с910р | 1000 | Н-В-25 | 630-1000 | |
| 32с910р1 | ||||
| 32с910р | 1200 | |||
| 32с910р1 | ||||
| 30с911нж | 250 | 8,0 | Н-В-03 | 250-630 |
| 30с911нж1 | ||||
| 30с911нж4, -5, -6, -7 | В-В-03 | |||
| 30с911нжТ | Н-В-03 | |||
| 30с911нж1Т | ||||
| 30с911нж3Т, -4Т | В-В-03 | |||
| 30с911нжЭ | Н-В-03 | |||
| 30с911нж1Э | ||||
| 30с911нж4Э, -5Э, -6Э, -7Э | В-В-03 | |||
| 30с911нж | 300 | 8,0 | Н-В-19 | 630 - 1000 |
| 30с911нж1 | ||||
| 30с911нж4, -5, -6, -7 | В-В-12 | |||
| 30с911нжТ | Н-В-19 | |||
| 30с911нж1Т | ||||
| 30с911нж3Т, -4Т | В-В-12 | |||
| 30с911нжЭ | Н-В-19 | |||
| 30с911нж1Э | ||||
| 30с911нж4Э, -5Э, -6Э, -7Э | В-В-12 | |||
| 30с911нж | 500 | 8,0 | Н-Г-03 | 1000-2500 |
| 30с911нж1 | ||||
| 30с911нж4, -5 | В-Г-03 | |||
| 30с911нжТ | Н-Г-03 | |||
| 30с911нж1Т | ||||
| 30с911нж3Т, -4Т | В-Г-03 | |||
| 30с911нжЭ | Н-Г-03 | |||
| 30с911нж1Э | ||||
| 30с911нж4Э, -5Э | В-Г-03 | |||
| 30с907нж3, -4, -5 | 400 | 2,5 | Н-В-25 | 630-1000 |
| 30с907нж9, -10, -11 | В-В-09 | |||
| 30с907нжА | Н-В-25 | |||
| 30с907нж1А, -2А | ||||
| 30с907нж3, -4, -5 | 500 | Н-Г-12 | 1000-2500 | |
| 30с907нж9, -10, -11 | В-Г-03 | |||
| 30с907нж12 | Н-В-25 | 630-1000 | ||
| 30с907нжА | Н-Г-12 | 1000-2500 | ||
| 30с907нж1А, -2А | ||||
| 30с907нж3, -4, -5 | 600 | 2,5 | ||
| 30с907нж9, -10, -11 | В-Г-03 | |||
| 30с907нж12 | Н-Г-12 | |||
| 30с907нжА | ||||
| 30с907нж1А, -2А | ||||
| 30с907нж3, -4, -5 | 800 | 2,5 | Н-Г-12 | 1000-2500 |
| 30с907нж9, -10, -11 | В-Г-03 | |||
| 30с907нжА | Н-Г-12 | |||
| 30с907нж1А, -2А | ||||
| 30с907нж | 1000 | Н-Д-06 | 5000-8500 | |
| ЕУРИ 491625.003 | 150 | 4,0 | В-А211К | 60-100 |
| ЕУРИ 491625.006 | 200 | 2,5 | В-Б1-06 | 100-300 |
| 4,0 | ||||
| ЕУРИ 491635.002 | 250 | 2,5 | ||
| 4,0 | ||||
| ЕУРИ 491625.009 | 150 | 2,5 | Н-А2-11К | 60-100 |
| ЕУРИ 491625.010 | 200 | 1,6 | В-Б1-06 | 10-300 |
| ЕУРИ 491625.011 | 250 | |||
| ИА 11165-200 | 200 | 2,5 | 2-ПБ-16 | 100-250 |
| ИА 11165-200-01 | 2-ОБ-16 | |||
| ИА 11165-200-06 | 2-ПБ-16 | |||
| ИА 11165-200-07 | 2-ОБ-16 | |||
| ИА 11165-200-12 | 2-ПБ-16 | |||
| ИА 11165-200-13 | 2-ОБ-16 | |||
| ИА 11165-250 | 250 | 2-ПБ-16 | ||
| ИА 11165-250-01 | 2-ОБ-16 | |||
| ИА 11165-250-06 | 2-ПБ-16 | |||
| ИА 11165-250-07 | 2-ОБ-16 | |||
| ИА 11165-300 | 300 | 2-ПБ-17 | ||
| ИА 11165-300-01 | 2-ОБ-17 | |||
| ИА 11165-300-06 | 2-ПБ-17 | |||
| ИА 11165-300-07 | 2-ОБ-17 | |||
| ИА 11165-350 | 350 | 2-ПБ-18 | ||
| ИА 11165-350-01 | 2-ОБ-18 | |||
| ИА 11165-400 | 400 | 2-ПВ-16 | 250-630 | |
| ИА 11165-400-01 | 2-ОВ-16 | |||
| ИА 11165-400-08 | 2-ПВ-16 | |||
| ИА 11165-400-09 | 2-ОВ-16 | |||
| ИА 11165-500 | 500 | 2,5 | 2-ПГ-16 | 1000-2500 |
| ИА 11165-500-01 | 2-ОГ-16 | |||
| ИА 11165-500-04 | 2-ПГ-16 | |||
| ИА 11165-500-05 | 2-ОГ-16 | |||
| ИА 11165-600, -06 | 600 | 2-ПГ-17 | ||
| ИА 11165-600-01, -07 | 2-ОГ-17 | |||
| ИА 01021-200 | 200 | 0,005 | 2-ОБ-01 | 100-250 |
| ИА 01021-100-01 | ||||
| ИА 01021-400 | 400 | 2-ОБ-12 | ||
| ИА 01021-400-01 | ||||
| ИА 01021-600 | 600 | 2-ОБ-03 | ||
| ИА 01021-600-01 | ||||
| ИА 01021-1000 | 1000 | 2-ОБ-05 | ||
| ИА 01021-1000-01 | ||||
| ИА 01022-400 | 400 | 0,006 | 2-ОБ-12 | |
| ИА 01017-200М, -01, -02, -03 | 200 | 0,005 | 2-ОБ-01 | |
| ИА 01017-300М, -01, -02, -03 | 300 | |||
| ИА 01017-400М, -01, -02, -03 | 400 | 2-ОБ-03 | ||
| ИА 01017-500М, -01, -02, -03 | 500 | |||
| ИА 01017-600М, -01, -02, -03 | 600 | 0,005 | 2-ОБ-03 | 100-250 |
| ИА 01017-700М, -01, -02, -03 | 700 | 2-ОБ-04 | ||
| ИА 01017-800М, -01, -02, -03 | 800 | |||
| ИА 01017-1000М, -01, -02, -03 | 1000 | 2-ОБ-05 | ||
| ИА 01017-1200М, -01 | 1200 | |||
| ИА 01017-1400М, -01 | 1400 | 2-ОБ-07 | ||
| ЕУРИ 494464.006-01 | 600 | 2,5 | 2-ПБ-03 | |
| 30с942нж 30нж942нж | 150 | 1,0 | Н-Б1-05 В-Б1-05 | 100-300 |
| 30с950нж 30нж950нж | 1,6 | |||
| 30с942нж 30нж942нж | 200 | 1,0 | ||
| 30с950нж 30нж950нж | 1,6 | |||
| 30с942нж 30нж942нж | 250 | 1,0 | ||
| 30с950нж 30нж950нж | 1,6 | |||
| 30с942нж 30нж942нж | 300 | 1,0 | Н-Б1-06 В-Б1-06 | |
| 30с950нж 30нж950нж | 1,6 | |||
| 30с946нж 30нж946нж | 400 | 0,6 | ||
| 30с942нж 30нж942нж | 1,0 | |||
| 30с950нж 30нж950нж | 1,6 | |||
| 30с946нж 30нж946нж | 500 | 0,6 | Н-В-06 В-В-06 | 250-630 |
| 30с946нж 30нж946нж | 600 | |||
| 30с947нж 30нж947нж | 800 | 0,4 | ||
| 30с947нж 30нж947нж | 1000 | |||
| 30с947нж 30нж947нж | 1200 | Н-Г-26 В-Г-14 | 600-1400 | |
| 30с914нж 30нж914нж | 1400 | 0,16 | ||
| 30с911нж | 1500 | 0,1 | ||
| 19с941нж | 300 | 0,007 | Н-Б1-28 | 100-300 |
| 400 | Н-Б1-11 | |||
| 600 | ||||
| 1000 | Н-В-02 | 250-630 | ||
| 1200 | Н-В-15 | 630-1000 | ||
| 19с941нж | 200 | 0,005 | А-18 | |
| 300 | А-16 | |||
| 400 | А-17 | |||
| 600 | Н-Б1-11 | 100-300 | ||
| 800 | ||||
| 1000 | ||||
| 1200 | ||||
| 19нж939р | 200 | 0,01 | В-Б1-15 | 100-300 |
| 300 | ||||
| 400 | В-Б1-01 | |||
| 500 | ||||
| 600 | ||||
| 800 | ||||
| 1000 | В-Б1-02 | |||
| 1200 |
| Обозначение изделия | DN, мм | PN, МПа | Тип электропривода (ТУ 28.14.20-001-43542160-2024) | М кр., Н-м |
| 30с941нж 30нж941нж | 50 | 1,6 | Н-А2-05 В-А2-05 | 25-60 |
| 30с915нж 30нж915нж | 2,5 | |||
| 4,0 | ||||
| 30с941нж 30нж941нж | 80 | 1,6 | Н-А2-11 В-А2-11 | 60-100 |
| 100 | ||||
| 30с915нж 30нж915нж | 80 | 0,5 | ||
| 4,0 | ||||
| 100 | 2,5 | |||
| 4,0 | ||||
| 30с941нж 30нж941нж | 150 | 1,6 | ||
| 125 | ||||
| 30с915нж 30нж915нж | 150 | 2,5 4,0 | Н-Б1-05 В-Б1-05 | 100-300 |
| 30с941нж 30нж941нж | 200 | 1,6 | ||
| 30с915нж 30нж915нж | 2,5 4,0 | |||
| 30с915нж 30нж915нж | 250 | 2,5 | Н-В-06 В-В-06 | 250-630 |
| 30с976нж 30нж976нж | 50 | 6,3 | Н-А2-11 В-А2-11 | 60-100 |
| 80 | ||||
| 100 | Н-Б1-05 В-Б1-05 | 100-300 | ||
| 150 | ||||
| 30с949нж 30нж949нж | 50 | 16,0 | ||
| 80 | ||||
| 100 | ||||
| 150 | Н-В-18 В-В-11 | 630-1000 | ||
| 30с976нж 30нж976нж | 200 | 6,3 | Н-В-06 В-В-06 | 250-630 |
| 30с941нж 30нж941нж | 250 | 1,6 | Н-Б1-06 В-Б1-06 | 100-300 |
| 300 | Н-В-06 В-В-06 | 250-630 | ||
| 400 | ||||
| 30с915нж 30нж915нж | 250 | 4,0 | ||
| 300 | 2,5 | |||
| 300 | 4,0 | Н-В-12 В-В-12 | 630-1000 |
| DN | PN, Мпа | Обозначение изделия | Мкр. Откр/закр, Н-м | Тип присоединения | Тип электропривода (ТУ 28.14.20-001-43542160-2024) |
| 50 | 1,60 | ПТ11055-050 30с941нж | 13/17 | М | Н-М-04 В-А2-05 |
| 2,50 | ПТ11015-050 30с964нж | 14/19 | А | ||
| 4,00 | ПТ11083-050 30с915нж | 16/23 | |||
| 80 | 1,60 | ПТ11055-080 30с941нж | 25/25 | Н-А2-05 В-А2-05 | |
| 2,50 | ПТ11015-080 30с964нж | 25/25 | |||
| 4,00 | ПТ11083-80 30с915нж | 30/30 | |||
| 100 | 1,60 | ПТ11055-100 30с941нжБ | 30/30 | Н-А2-05 В-А2-05 | |
| 2,50 | ПТ11055-100 30с964нжБ | 30/30 | |||
| 4,00 | ПТ11083-100 30с915нжБ | 45/45 | |||
| 6,40 | ПТ11084-100 30с976нжБ | 60/60 | Н-А2-11 В-А2-11 | ||
| 150 | 1,00 | ПТ11095-150М | 53/50 | Н-А2-05 В-А2-05 | |
| 1,60 | ПТ13070-150 30с950нж | 51/54 | |||
| ПТ19001-150 | 50/50 | Н-А2-05 | |||
| ПТ11055-150 30с941нжБ | 100/95 | Н-А2-10 В-А2-10 | |||
| 2,50 | ПТ11015-150 30с964нжБ | 90/90 | |||
| 4,00 | ПТ11083-150 30с915нжБ | ||||
| 6,40 | ПТ11084-150 30с976нжБ | 150/140 | Б | В-Б1-02 | |
| 200 | 1,60 | ПТ11055-200 30с941нжБ | 120/100 | Н-Б1-03 В-Б1-03 | |
| 2,50 | ПТ11015-200 30с964нжБ | 160/140 | |||
| 4,00 | ПТ11083-200 30с915нжБ | 270/250 | В | Н-В-06 В-В-06 | |
| ПТ11083-200М 30с915нжБ | 240/220 | Б | Н-Б1-03 В-Б1-03 | ||
| 6,40 | ПТ11085-200 30с976нжБ | 540/500 | В | Н-В-02 В-В-02 | |
| 1,00 | ПТ11095-200 30с942нж | 120/110 | Б | Н-Б1-03 В-Б1-03 | |
| 1,60 | ПТ13070-200 30с950нж | 110/100 | |||
| ПТ19001-200 | 70/70 | А | Н-А2-10 | ||
| 250/200 | 4,00 | ПТ11083-250/200 30с915нж | 270/250 | В | Н-В-06 В-В-06 |
| 6,40 | ПТ11085-250/200 30с976нж | 540/500 | |||
| 250 | 1,00 | ПТ11095-250 30с942нж | 110/100 | Б | Н-Б1-03 В-Б1-03 |
| 1,60 | ПТ19001-250 | 200/200 | Н-Б1-03 | ||
| 300/250 | 2,50 | ПТ11015-300/250 30с964нж | 270/250 | В | Н-В-06 В-В-06 |
| 250 | 1,60 | ПТ11055-250 30с941нжБ | 180/150 | Б | Н-Б1-03 В-Б1-03 |
| 2,50 | ПТ11015-250 30с964нжБ | 220/190 | |||
| 4,00 | ПТ11083-250 30с915нжБ | 400/350 | В | Н-В-06 В-В-06 | |
| 6,40 | ПТ11085-250 30с976нжБ | 716/699 | Н-В-15 В-В-08 | ||
| 300 | 1,00 | ПТ11095-300М 30с942нж | 125/125 | Б | Н-Б1-03 В-Б1-03 |
| 1,60 | ПТ19001-300 | 240/240 | Н-Б1-03 | ||
| ПТ11055-300 30с941нжБ | 210/170 | Н-Б1-06 В-Б1-06 | |||
| 6,40 | ПТ11084-300 30с976нж | 1390/1330 | Г | Н-Г-06 В-Г-06 | |
| 2,50 | ПТ11015-300 30с964нжБ | 350/300 | В | Н-В-06 В-В-06 | |
| 4,00 | ПТ11083-300 30с915нжБ | 700/630 | Н-В-19 В-В-12 | ||
| 350 | 1,60 | ПТ11055-350-03 30с941нж | 350/300 | Н-В-06 В-В-06 | |
| 400 | 1,60 | ПТ11055-400 30с941нжБ | 480/410 | ||
| 2,50 | ПТ11015-400 30с964нжБ | 783/664 | Н-В-16 В-В-09 | ||
| 6,40 | ПТ11009-400 30с976нжБ | 2120/1900 | Г | В-Г-06 | |
| 1,00 | ПТ110090-400 30с942р | 458/391 | В | Н-В-02 | |
| 2,50 | ПТ12003-400 30с927нж | 900/740 | Н-В-16 В-В-09 | ||
| 500 | 0,60 | ПТ11096-400 30с946нж | 150/120 | Б | Н-Б1-03 В-Б1-03 |
| 1,00 | ПТ11090-500 31с942р | 670/550 | В | Н-В-06 | |
| 2,50 | ПТ12003-500 30с927нж | 2380/1910 | Г | Н-Г-03 В-Г-03 | |
| 6,40 | ПТ12004-500 30с975нж | 5150/6500 | Д | Н-Д-03 В-Д-03 | |
| 4,00 | ПТ11002-500 30с915нжБ | 2375/2075 | Г | Н-Г-03 В-Г-03 | |
| 0,60 | ПТ11096-500М 30с946нж | 290/250 | В | Н-В-06 В-В-06 | |
| 1,60 | ПТ11055-500 30с941нжБ | 770/640 | Н-В-16 В-В-09 | ||
| 2,50 | ПТ11004-500 30с964нжБ | 1440/1120 | Г | Н-Г-03 В-Г-03 | |
| 4,00 | ПТ11083-500 30с915нжБ | 2375/2075 | |||
| 500 | 8,00 | ПТ11009-500 30с976нжБ | 5800/5150 | Д | Н-Д-03 В-Д-03 |
| 6,40 | ПТ11009-500М 30с919нжБ | 2460/2050 | Г | В-Г-06 | |
| 8,00 | ПТ11009-500М1 30с919нжБ | 4350/3880 | Д | В-Д-09 | |
| 600/500 | 2,50 | ПТ12003-600/500 30с927нж | 2380/1910 | Г | Н-Г-03 В-Г-03 |
| 600 | 1,00 | ПТ11090-600 31с942р | 880/780 | В | Н-В-19 |
| 0,60 | ПТ11096-600М 30с946нж1 | 380/300 | Н-В-06 В-В-06 | ||
| 1,00 | ПТ12005-600 30ч930бр | 700/500 | Н-В-16 | ||
| 2,50 | ПТ12003-600 30с927нж | 2500/2150 | Г | Н-Г-03 | |
| ПТ11015-600 30с964нж | 1940/1630 | Н-Г-03 В-Г-03 | |||
| 700 | 8,00 | ПТ11001-700 | 8000/6300 | Д | В-Д-06 |
| ПТ11009-700 30с919нжБ | 9000/6300 | ||||
| 800 | 2,50 | ПТ11015-800 30с964нжБ | 4900/3980 | Н-Д-15 В-Д-09 | |
| 8,00 | ПТ11009-800М 30с976нжБ | 10000/9000 | В-Д-06 | ||
| 6,4 | ПТ11009-800 30с919нжБ | 8700/7300 | |||
| 1,00 | ПТ11090-800 31с942р | 1980/1590 | Г | Н-Г-06 | |
| 2,50 | ПТ12003-800 30с927нж | 5780/5700 | Д | Н-Д-03 В-Д-03 | |
| 0,40 | ПТ11097-800М 30с947нж | 530/490 | В | Н-В-06 В-В-06 | |
| 1,60 | ПТ13067-800 30с950нж | 2250/2050 | Г | Н-Г-06 В-Г-06 | |
| 1000/800 | 2,50 | ПТ11015-1000/800 30с964нж | 4900/3980 | Д | Н-Д-15 В-Д-09 |
| 1000 | 0,40 | ПТ11097-1000М 30с947нж1 | 840/660 | В | Н-В-19 В-В-12 |
| 0,25 | ПТ12001-1000 30ч925бр1 | 840/531 | Н-В-06 | ||
| 1,00 | ПТ12005-1000 30ч930бр1 | 2250/1200 | Г | Н-Г-06 | |
| ПТ11090-1000 30с952р | 5000/4800 | Д | Н-Д-15 | ||
| 1,60 | ПТ11001-1000 30с941нжБ | 6480/5840 | Н-Д-03 В-Д-03 | ||
| 2,50 | ПТ11015-1000 30с964нжБ | 10000/8940 | Н-Д-09 В-Д-06 | ||
| 8,00 | ПТ11009-1000 30с919нжБ | 9900/7999 | В-Д-06 | ||
| 8,00 | 1009-1000М 30С919нжБ | 9660/7900 | |||
| 1200 | 1,60 | ПТ11001-1200 941нжБ | 10000/8400 | Н-Д-09 В-Д-06 | |
| 2,50 | ПТ11015-1200 30с964нжБ | ||||
| 1200 | 6,40 | ПТ11009-1200 30с976нжБ | 10000/8800 | Д | |
| ПТ11009-1200М 30с919нжБ | 10000/8800 | В-Д-06 | |||
| 0,40 | ПТ11097-1200М 30с947нж1 | 1440/1120 | Г | Н-Г-06 В-Г-06 | |
| 0,25 | ПТ12001-1200 30ч925бр1 | 1440/920 | Н-Г-06 | ||
| 1,00 | ПТ12002-1200 30ч930бр | 4901/3300 | Д | Н-Д-15 | |
| 1400 | 0,16 | ПТ13004-1400М 30с914нж1 | 1250/1000 | Г | Н-Г-06 В-Г-06 |
| 0,25 | ПТ12001-1400 30ч925бр1 | 2350/1430 | |||
| 1,00 | ПТ12002-1400 30ч937бр1 | 5650/5120 | Д | Н-Д-03 | |
| ПТ1304-1500М/1400 30с911нж1 | 1250/1000 | Г | Н-Г-06 В-Г-06 | ||
| 1500 | 0,10 | ПТ1304-1500М 30с911нж1 | 1780/1270 | ||
| 1600 | 0,25 | ПТ12001-1600 30ч925бр1 | 2310/1420 | Н-Г-06 | |
| 1,00 | ПТ12002-1600 30ч930бр1 | 7900/5480 | Д | Н-Д-03 В-Д-03 | |
| 2000 | 0,25 | ПТ12001-2000 30чс925бр | 4380/2490 | Н-Д-15 В-Д-09 |