Мельница центробежная вертикальная МЦВ-3

Мельница центробежная вертикальная МЦВ-3

Масса, кг
1775
Мощность электродвигателя, кВт
55
Производительность, т/ч
1
Все характеристики
Назначение: Для измельчения известняка, огнеупорной глины, древесной муки и других минеральных/сыпучих материалов.
Пуско-наладка на вашем объекте и обучение вашего персонала
При необходимости проводим испытания с давальческим сырьем
Послепродажный сервис и плановые поставки запчастей и расходников
Цена по запросу
узнать цену
Гарантия: от 12 месяцев
Доставка: по всей России и СНГ
Сроки изготовления: от 40 рабочих дней
Подобрать решение
Андрей Федоров
Инженер-консультант
+7 (950) 921-57-50

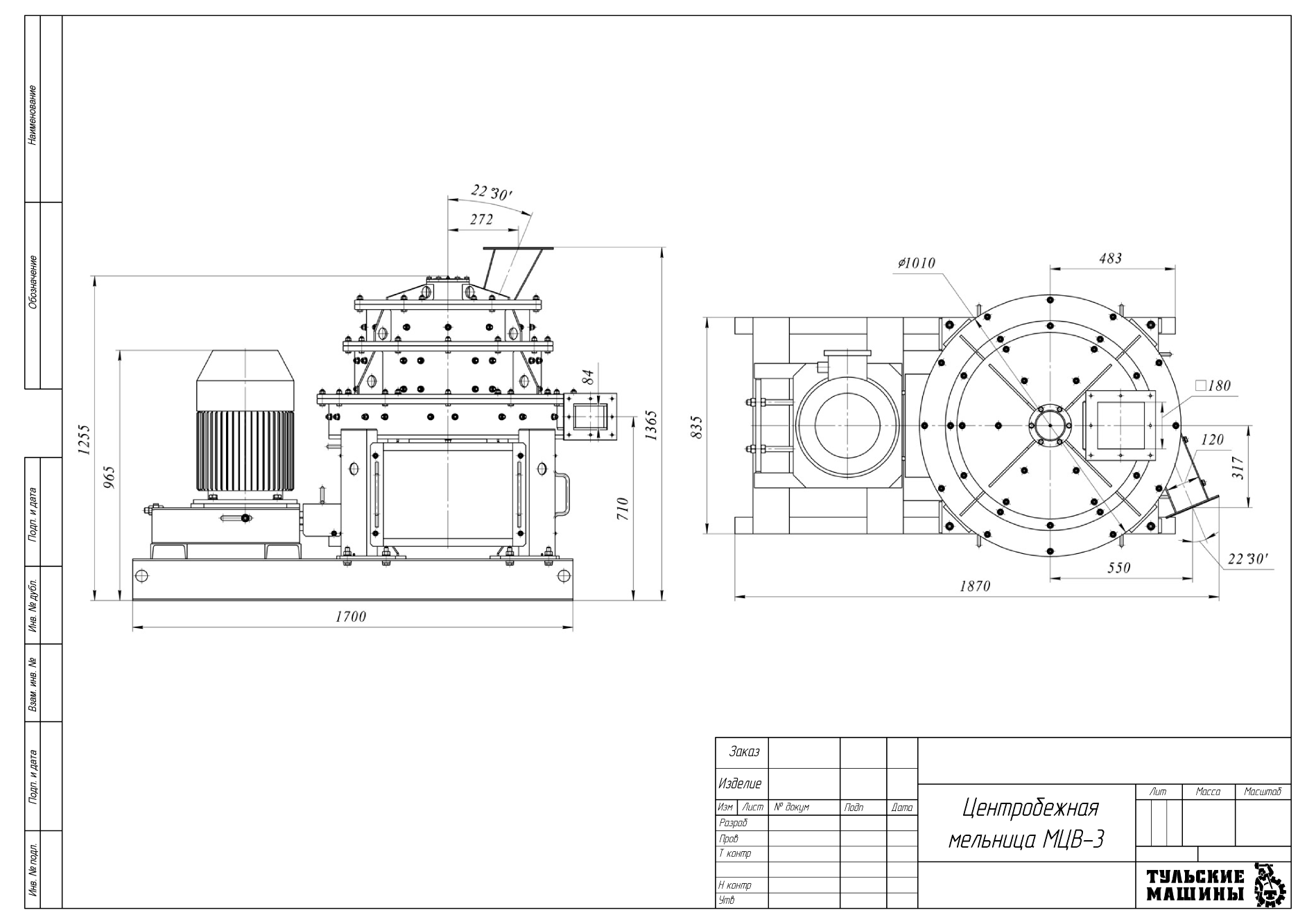
ТЕХНИЧЕСКИЕ ХАРАКТЕРИСТИКИ — Мельница центробежная вертикальная МЦВ-3

Масса, кг:
1775
Мощность электродвигателя, кВт:
55
Производительность, т/ч:
1
Частота вращения ротора, об/мин:
1912 – 2007
Диаметр ротора, мм:
555/635; 644; 840
Max. входящая фракция, мм:
50
Выходящая фракция, мм:
-0,5
Номинальное напряжение питания, В/Гц:
380
Изготовление по вашему ТЗ
Отправить ТЗ
Реверс-инжиниринг
Обсудить задачу

ОПИСАНИЕ — Мельница центробежная вертикальная МЦВ-3

Мельница комбинированная МЦВ-3 — это мельница ударно-истирающего действия с тремя ступенями измельчения и конструкцией раздельных камер, соединённых последовательно. За счёт вариативности элементов ротора, переходных сечений между камерами, способов выгрузки и скоростных режимов оборудование позволяет гибко подбирать режим под конкретное сырьё и требуемую тонкость помола.

Подходящие материалы и условия работы

Комбинированные мельницы серии МЦВ применяют для материалов с твёрдостью до ~5 по Моосу, влажностью до ~4% и температурой плавления не ниже ~300 °C (параметры зависят от сырья и режима).

Типовые сферы применения

МЦВ-3 используют в технологических схемах измельчения и/или сушки, например для известняка, огнеупорной глины, древесной муки и других минеральных/сыпучих материалов — как узел тонкого помола в линии с питателями, сушильными барабанами, циклонами, рукавными фильтрами.

Как заказать?

Чтобы корректно подобрать конфигурацию МЦВ под ваш материал, обычно достаточно 4 параметров: сырьё, входная фракция, требуемая тонкость, производительность (кг/ч или т/ч) — после этого подбираются режимы и обвязка линии (подача, аспирация, пылеулавливание).

ЧЕРТЕЖ — Мельница центробежная вертикальная МЦВ-3


Обсудить задачу
Обсудить задачу
Отправьте заявку — с вами свяжется инженер:
  • Обсудить технические вопросы
  • Подготовить коммерческое предложение
  • При необходимости договориться о встрече
  • Организовать экскурсию на производство