Щековая дробилка СДС-2,5-9 (СМД-108А)

Щековая дробилка СДС-2,5-9 (СМД-108А)

Масса, кг
6100
Мощность электродвигателя, кВт
45
Max. входящая фракция, мм
210
Все характеристики
Назначение: для дробления крупных и средних кусков пород и является одной из самых надежных среди дробилок данного типа.
Пуско-наладка на вашем объекте и обучение вашего персонала
При необходимости проводим испытания с давальческим сырьем
Послепродажный сервис и плановые поставки запчастей и расходников
от 32 426 000 ₸
Заказать
Гарантия: от 12 месяцев
Доставка: по всей России и СНГ
Сроки изготовления: от 40 рабочих дней
Подобрать решение
Андрей Федоров
Инженер-консультант
+7 (950) 921-57-50

ТЕХНИЧЕСКИЕ ХАРАКТЕРИСТИКИ — Щековая дробилка СДС-2,5-9 (СМД-108А)

Масса, кг:
6100
Мощность электродвигателя, кВт:
45
Max. входящая фракция, мм:
210
Размеры приемного отверстия, мм:
250х900
Номинальное напряжение питания, В/Гц:
380
Размеры выходной щели, мм:
15-50
Производительность, м³/ч:
20-60
Изготовление по вашему ТЗ
Отправить ТЗ
Реверс-инжиниринг
Обсудить задачу

ОПИСАНИЕ — Щековая дробилка СДС-2,5-9 (СМД-108А)

Щековая дробилка СДС-2,5-9 со сложным движением щеки предназначена для дробления крупных и средних кусков пород и является одной из самых надежных среди дробилок данного типа. СДС-2,5-9 может быть использована как автономно работающая машина, так и в составе установки или технологической линии производства.

Область применения щековой дробилки СДС-2,5-9

Область применения щековой дробилки СДС-2,5-9 весьма разнообразны. Щековые дробилки применяются на различных прочных и хрупких материалах в промышленности по переработке первичной горной породы, производстве строительного камня и щебня, в металлургии на шлаках и, конечно, в лабораторных условиях.

Принцип работы щековой дробилки СДС-2,5-9

Дробилка состоит из корпуса, на котором смонтирована подвижная щека с двигающейся дробящей плитой, валом и подшипниками. На передней стенке корпуса закреплена неподвижная дробящая плита.

Принцип работы основан на сжатии материала рабочими поверхностями щеками. Исходный материал подается питателем в загрузочный зев, попадая в зазор между дробящими плитами, он измельчается за счет сжатия и частичного истирания. Измельченный материал просыпается в разгрузочное устройство. Под разгрузочным устройством должен быть установлен ленточный транспортер с шириной ленты 500-800 мм, приемное устройство элеватора или иная транспортная система. Разгрузка материала происходит непрерывно.

Преимущества щековой дробилки СДС-2,5-9

Из преимуществ СДС-2,5-9 можно выделить простоту в эксплуатации, неприхотливость к погодным условиям, возможность использовать ее вместе с дробильными комплексами, а специфика конструкции делает обслуживание дробилки простым и не дорогим. Длительная промышленная эксплуатация дробилок позволяет заранее говорить о крупности дробленого продукта в зависимости от выставленной ширины разгрузочной щели. Работа щековой дробилки хорошо прогнозируется. И это не полный перечень преимуществ щековой дробилки СДС-2,5-9.

Все оборудование, произведенное на нашем заводе, выполнено только из высококачественных комплектующих, в соответствии с международными требованиями. Дробилка сопровождается всей необходимой документацией и гарантией. Благодаря профессионализму наших сотрудников машины, купленные у нас, прослужат вам долгие годы.

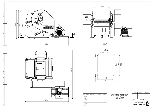
ЧЕРТЕЖ — Щековая дробилка СДС-2,5-9 (СМД-108А)


Обсудить задачу
Обсудить задачу
Отправьте заявку — с вами свяжется инженер:
  • Обсудить технические вопросы
  • Подготовить коммерческое предложение
  • При необходимости договориться о встрече
  • Организовать экскурсию на производство