Секторный питатель ПС-200

Секторный питатель ПС-200

Габаритные размеры: Длина х Ширина х Высота, мм
460х427х306
Масса, кг
35
Мощность электродвигателя, кВт
0,37-3
Все характеристики
Назначение: для дозирования сухих материалов с влажностью не более 8%.
Пуско-наладка на вашем объекте и обучение вашего персонала
При необходимости проводим испытания с давальческим сырьем
Послепродажный сервис и плановые поставки запчастей и расходников
от 987 000 ₸
Заказать
Гарантия: от 12 месяцев
Доставка: по всей России и СНГ
Сроки изготовления: от 40 рабочих дней
Подобрать решение
Андрей Федоров
Инженер-консультант
+7 (950) 921-57-50

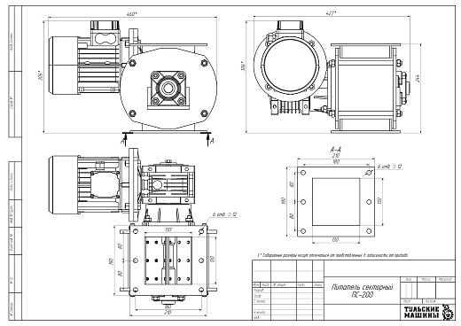
ТЕХНИЧЕСКИЕ ХАРАКТЕРИСТИКИ — Секторный питатель ПС-200

Габаритные размеры: Длина х Ширина х Высота, мм:
460х427х306
Масса, кг:
35
Мощность электродвигателя, кВт:
0,37-3
Частота вращения ротора, об/мин:
7-140
Диаметр ротора, мм:
200
Длина ротора, мм:
142
Производительность, м³/ч:
1,5-30
Изготовление по вашему ТЗ
Отправить ТЗ
Реверс-инжиниринг
Обсудить задачу

ОПИСАНИЕ — Секторный питатель ПС-200

ПС-200 компактный малогабаритный секторный питатель диаметром ротора 200мм. Он предназначен для дозирования сухих материалов с влажностью не более 8%.

Область применения

Питатель ПС-200 предназначен для разнообразных целей. Химическая промышленность, производство строительных материалов и даже изготовление комбикорма – во всех этих областях применяется секторный питатель ПС-200. 

Принцип работы

Секторный питатель ПС-200 работает следующим образом – материал подается в секторы ротора через загрузочное окно корпуса. При вращении ротора материал перемещается в корпусную часть питателя и выгружается в его нижней части корпуса. Периметр лопаток ротора футерован резиной, что позволяет создать необходимое уплотнение между вращающимися частями и корпусом.

Преимущества

Из преимуществ работы с ПС-200 можно особенно выделить простоту в эксплуатации, компактность, надежность и его неприхотливость в работе. Технологические линии с нормируемой дозировкой материала также оснащаются ПС-200. Секторный питатель применяется для фильтров и бункер-циклонов.

Все оборудование, произведенное на нашем заводе, выполнено только из высококачественных комплектующих, в соответствии с международными требованиями. Оборудование сопровождается всей необходимой документацией и гарантией. Благодаря профессионализму наших сотрудников машины, купленные у нас, прослужат вам долгие годы.

ЧЕРТЕЖ — Секторный питатель ПС-200


Обсудить задачу
Обсудить задачу
Отправьте заявку — с вами свяжется инженер:
  • Обсудить технические вопросы
  • Подготовить коммерческое предложение
  • При необходимости договориться о встрече
  • Организовать экскурсию на производство