Роторная дробилка ДР-150

Роторная дробилка ДР-150

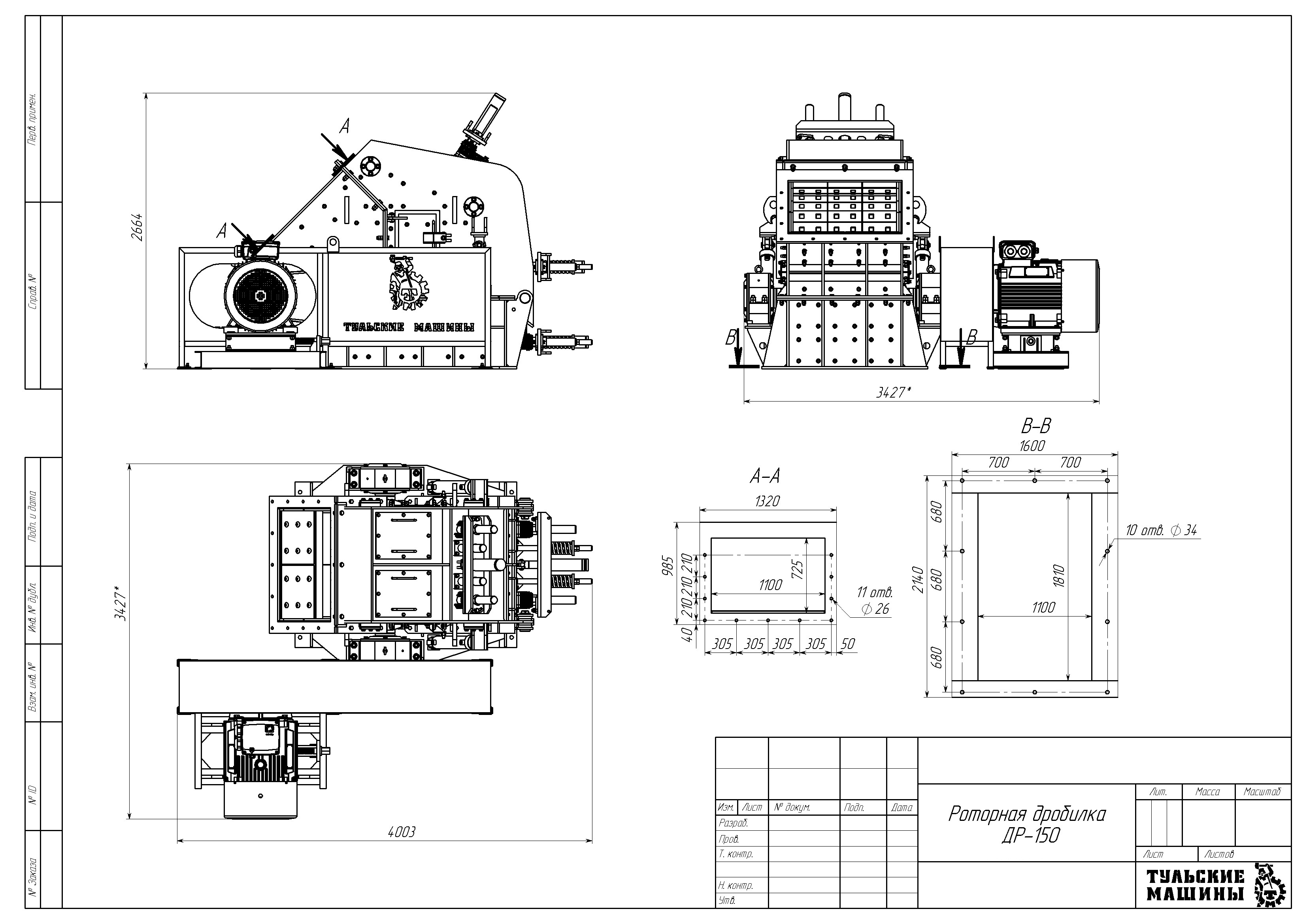
Габаритные размеры: Длина х Ширина х Высота, мм
4003х3427х2664
Масса, кг
13700
Мощность электродвигателя, кВт
160
Все характеристики
Назначение: для дробления горных пород, строительных и инертных материалов средней и малой твёрдости.
Пуско-наладка на вашем объекте и обучение вашего персонала
При необходимости проводим испытания с давальческим сырьем
Послепродажный сервис и плановые поставки запчастей и расходников
от 72 865 000 ₸
Заказать
Гарантия: от 12 месяцев
Доставка: по всей России и СНГ
Сроки изготовления: от 40 рабочих дней
Подобрать решение
Андрей Федоров
Инженер-консультант
+7 (950) 921-57-50

ТЕХНИЧЕСКИЕ ХАРАКТЕРИСТИКИ — Роторная дробилка ДР-150

Габаритные размеры: Длина х Ширина х Высота, мм:
4003х3427х2664
Масса, кг:
13700
Мощность электродвигателя, кВт:
160
Производительность, т/ч:
195
Частота вращения ротора, об/мин:
650
Диаметр ротора, мм:
1240
Длина ротора, мм:
1000
Max. входящая фракция, мм:
350
Выходящая фракция, мм:
10-80
Размеры приемного отверстия, мм:
725х1100
Изготовление по вашему ТЗ
Отправить ТЗ
Реверс-инжиниринг
Обсудить задачу

ОПИСАНИЕ — Роторная дробилка ДР-150

Дробильное оборудование роторного типа предназначено для дробления горных пород, строительных и инертных материалов средней и малой твёрдости. Измельчение осуществляется за счёт высокоскоростного вращения ротора с билами, которые наносят удары по материалу, обеспечивая эффективное разрушение и получение однородной фракции.

Оборудование отличается компактной конструкцией, высокой производительностью и простотой обслуживания, что делает его удобным для использования как на стационарных, так и на мобильных производственных площадках.

Преимущества

  • высокая эффективность дробления за счёт ударного принципа работы
  • получение кубовидной формы готового продукта
  • стабильная производительность при непрерывной загрузке
  • простота конструкции и удобство технического обслуживания
  • быстрый доступ к рабочим органам для замены бил
  • возможность интеграции в дробильно-сортировочные линии
  • надёжная работа в условиях промышленной эксплуатации

Области применения

  • дробильно-сортировочные комплексы
  • переработка щебня, известняка, кирпичного боя
  • утилизация строительных отходов
  • производство инертных материалов
  • карьерные и промышленные площадки

Оборудование является оптимальным решением для предприятий, которым требуется эффективное дробление материалов с получением стабильной фракции при компактных габаритах и высокой надёжности.

ЧЕРТЕЖ — Роторная дробилка ДР-150


Обсудить задачу
Обсудить задачу
Отправьте заявку — с вами свяжется инженер:
  • Обсудить технические вопросы
  • Подготовить коммерческое предложение
  • При необходимости договориться о встрече
  • Организовать экскурсию на производство