Гидравлическая конусная дробилка HPT-500 MC

Гидравлическая конусная дробилка HPT-500 MC

Диаметр подвижного конуса, мм
1576
Тип камеры
средне-крупного дробления
Диапазон регулирования выходной щели, мм
22
Все характеристики
Назначение: для крупного и среднего дробления твёрдых и абразивных горных пород в составе многостадийных дробильно-сортировочных комплексов.
Пуско-наладка на вашем объекте и обучение вашего персонала
При необходимости проводим испытания с давальческим сырьем
Послепродажный сервис и плановые поставки запчастей и расходников
Цена по запросу
узнать цену
Гарантия: от 12 месяцев
Доставка: по всей России и СНГ
Сроки изготовления: от 40 рабочих дней
Подобрать решение
Андрей Федоров
Инженер-консультант
+7 (950) 921-57-50

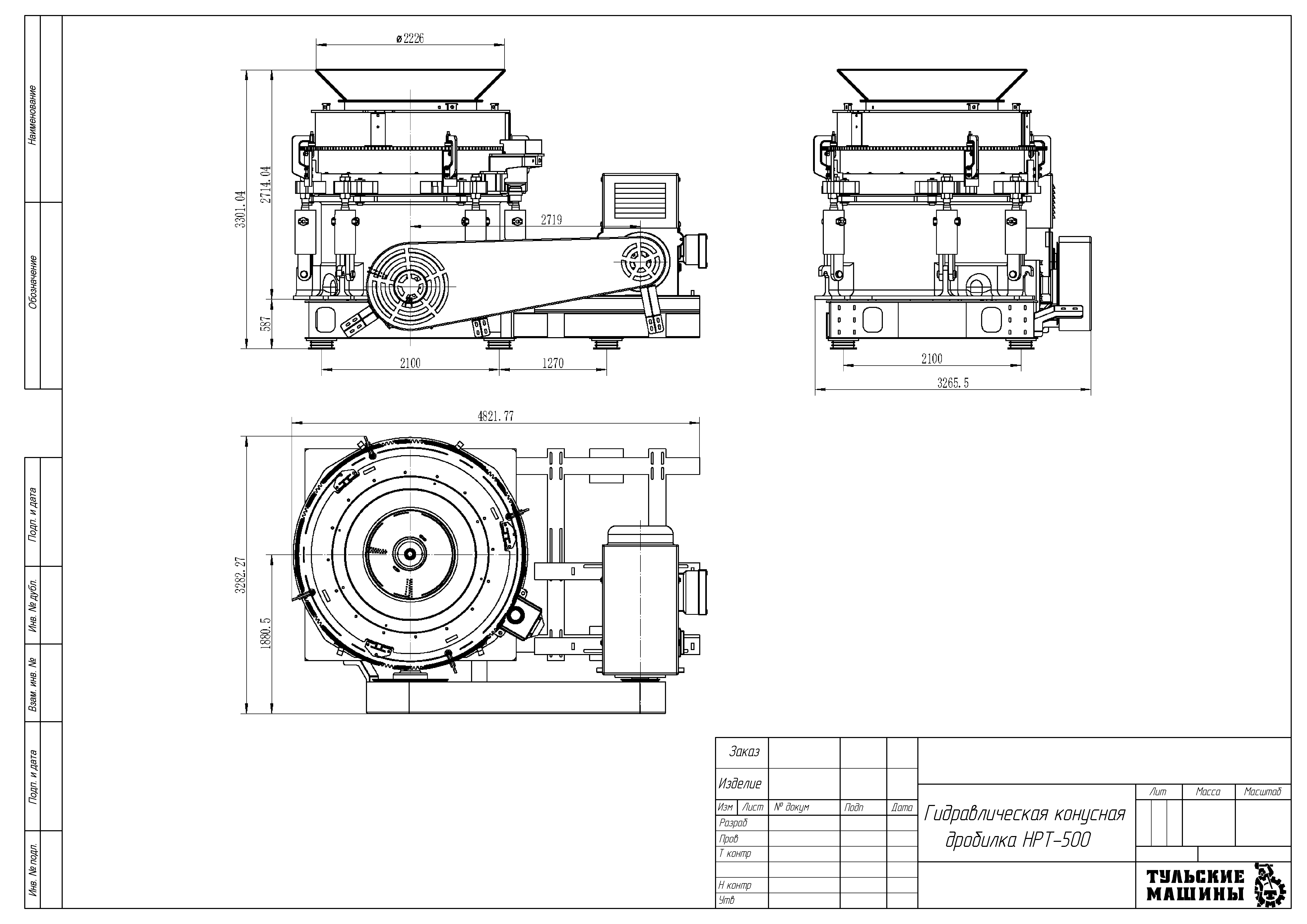
ТЕХНИЧЕСКИЕ ХАРАКТЕРИСТИКИ — Гидравлическая конусная дробилка HPT-500 MC

Диаметр подвижного конуса, мм 1576
Тип камеры средне-крупного дробления
Диапазон регулирования выходной щели, мм 22
Масса, кг 38000
Габаритные размеры: Длина х Ширина х Высота, мм 4150х3200х3850
Мощность электродвигателя, кВт 400
Производительность, т/ч 330-605
Max. входящая фракция, мм 165
Изготовление по вашему ТЗ
Отправить ТЗ
Реверс-инжиниринг
Обсудить задачу

ОПИСАНИЕ — Гидравлическая конусная дробилка HPT-500 MC

Гидравлическая конусная дробилка с множеством цилиндров и камерой средне-крупного дробления предназначена для крупного и среднего дробления твёрдых и абразивных горных пород в составе многостадийных дробильно-сортировочных комплексов. Оборудование обеспечивает стабильную производительность и эффективную переработку материала значительной исходной крупности.

Многoцилиндровая гидравлическая система обеспечивает равномерное распределение дробящих усилий по всему периметру рабочей камеры, повышая надёжность оборудования и устойчивость к ударным и динамическим нагрузкам. Камера средне-крупного дробления оптимально подходит для формирования фракции, предназначенной для последующих стадий дробления и сортировки.

Преимущества

  • эффективное дробление материала средне-крупной фракции
  • высокая производительность при стабильном качестве продукта
  • многoцилиндровая гидравлическая система с равномерным прижимом
  • надёжная защита от перегрузок и недробимых включений
  • прочная конструкция для работы с твёрдыми и абразивными породами
  • стабильная эксплуатация в непрерывном режиме

Области применения

  • горнодобывающая промышленность
  • карьерная переработка горных пород
  • дробильно-сортировочные комплексы
  • переработка гранита, базальта, известняка и других прочных материалов
  • производство щебня и инертных материалов

Гидравлическая конусная дробилка с камерой средне-крупного дробления является эффективным решением для предприятий, которым требуется надёжное оборудование для переработки горных пород с высокой производительностью и стабильными рабочими характеристиками.

ЧЕРТЕЖ — Гидравлическая конусная дробилка HPT-500 MC


Обсудить задачу
Обсудить задачу
Отправьте заявку — с вами свяжется инженер:
  • Обсудить технические вопросы
  • Подготовить коммерческое предложение
  • При необходимости договориться о встрече
  • Организовать экскурсию на производство