Электрический привод ВА представляет собой изделие со специальными приспособлениями – муфтами. Они служат для соединения с устройствами запорного типа, которые устанавливаются на трубопроводах. Благодаря взрывозащищённому исполнению, электропривод может применяться в зонах с повышенной взрывоопасностью. Электропривод выполнен таким образом, что может устанавливаться в необходимом положении на требуемом участке трубопровода.
Управление подсоединённой к электроприводу арматурой может осуществляться в ручном режиме, а также на расстоянии с помощью пульта управления. Режим работы электропривода ВА – повторно-кратковременный (ПВ не превышает 25%) в системах, где применяется для управления микропроцессорная техника и автоматы.
Электропривод ВА выполняет следующие задачи:
- меняет положение клапана запорного устройства как при поступлении соответствующей команды, так и в ручном режиме;
- при необходимости останавливает запорный узел в промежуточном положении;
- информирует сигналом, если возникают неполадки или если запорное устройство достигает крайних положений – в этом случае электропривод отключается;
- переключение с автоматического на ручной режим работы;
- обеспечение электрической блокировки при работе с другими устройствами;
- регулировка частоты крутящего момента;
- дистанционная корректировка величины открытия запорного устройства при установке в схему управления переменного сопротивления.
«Тульские Машины» предлагают купить электроприводы ВА различной мощности на питание от сети переменного тока 220, 380 или 660 В, частотой 50 и 60Гц.
Основные составные части электропривода ВА:
- редуктор червячно-цилиндрического типа;
- муфта моментная;
- выключатели путевые;
- маховик;
- вал со специальным приспособлением для подсоединения.
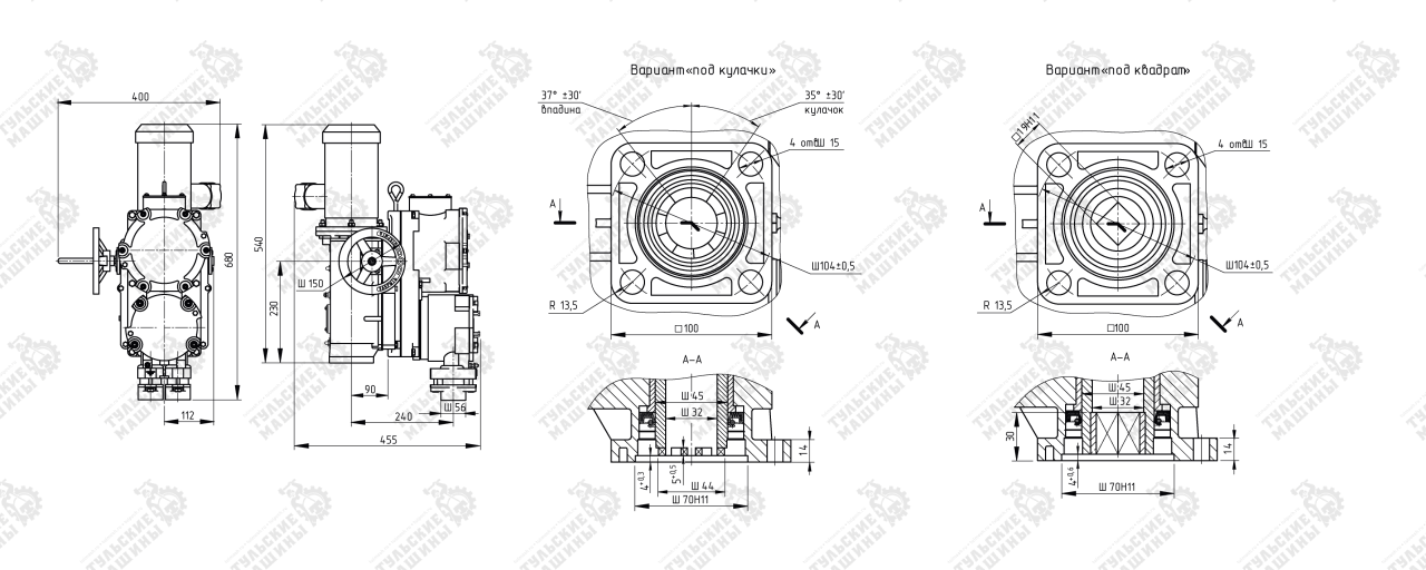
Схема и основные размеры электропривода ВА

Внутренние узлы в соединениях электрических приводов имеют специальные уплотнительные устройства, которые обеспечивают надежную герметизацию.
Наиболее распространенные типы электроприводов ВА
Для стальных задвижек (30c941нж) диаметром (Dy,мм):
- для Dy 50 применяют электропривод ВА-04, либо электропривод ВА-05
- для Dy 80, 100 применяют электропривод ВА-05
- для Dy 150 применяют электропривод ВА-10